Выбор из нескольких характеристик
Вода
Диаметр, мм
Вода
Диаметр, мм
измерения объема воды, протекающей по трубопроводу при давлении не более 1,6 МПа и температуре от 0,1 °С до 30 °С (50 °С) (счетчики холодной воды) или от 0,1 °С до 130 °С (счетчики горячей воды).
Область применения: объекты коммунально-бытовой сферы и, в том числе, для коммерческого учета воды в сетях холодного и горячего водоснабжения.
Счетчики воды MWN внесены в Государственный реестр средств измерений Республики Беларусь под № РБ 03 07 8236 21 и имеют сертификат об утверждении типа № 14448 от 19.10.2021. (продлен постановлением Госстандарта от 19.11.2025 № 146)
Подкатегория ОКРБ 007-2012: 26.51.63.500.
*возможна комплектация модулем для SML-3 (LORA), SML-3w (wireless M-BUS), SML-4 (LORA с внешней антенной), SML-4w (wireless M-BUS с внешней антенной) для дистанционного учета воды.
Межповерочный интервал для DN40-DN150 - 2 года, для DN200-DN250 - 4 года.
| Наименование характеристики | Значение | ||||||||||||||||
|
Номинальный размер (диаметр условного прохода) DN, мм |
40 | 50 | 65 | 80 | 100 | 125 | 150 | 200* | 250* | ||||||||
| Максимальный расход Q4, м3/ч | 31,25 | 50 | 78,75 | 125 | 312,5 | 312,5 | 787,5 | 1250 | |||||||||
| Постоянный расход Q3, м3/ч | 25 | 40 | 63 | 100 | 250 | 250 | 630 | 1000 | |||||||||
| Переходный расход Q2, м3/ч | 0,64 | 0,8 | 1 | 1,28 | 2,5 | 3,2 | 8,064 | 16 | |||||||||
| Минимальный расход Q1, м3/ч | 0,40 | 0,5 | 0,63 | 0,8 | 1,563 | 2 | 5,04 | 10 | |||||||||
| Порог чувствительности**, м3/ч | 0,15 | 0,20 | 0,25 | 0,25 | 0,5 | 1 | 1,5 | 3 | |||||||||
|
Соотношение R = Q3/ Q1 |
63 | 80 | 100 | 125 | 160 | 125 | 125 |
100 |
|||||||||
| Наименование характеристики | Значение | ||||||||||||||||||
|
Номинальный размер (диаметр условного прохода) DN, мм |
40 | 50 | 65 | 80 | 100 | 125 | 150 | 200* | 250* | ||||||||||
| Максимальный расход Q4, м3/ч | 31,25 | 50 | 78,75 | 125 | 200 | - | 500 | - | - | ||||||||||
| Постоянный расход Q3, м3/ч | 25 | 40 | 63 | 100 | 160 | - | 400 | - | - | ||||||||||
| Переходный расход Q2, м3/ч | 0,4 | 0,64 | 0,8 | 1 | 1.28 | - | 3,2 | - | - | ||||||||||
| Минимальный расход Q1, м3/ч | 0,25 | 0,40 | 0,5 | 0,63 | 0,8 | - | 2 | - | - | ||||||||||
| Порог чувствительности**, м3/ч | 0,15 | 0,20 | 0,25 | 0,25 | 0,15 | 1 | |||||||||||||
|
Соотношение R = Q3/ Q1 |
100 | 100 | 125 | 160 | 200 | - | 200 | - | - | ||||||||||
|
Класс потери давления |
∆p10 | ∆p16 | ∆p40 | ∆p10 | ∆p25 | ∆p25 | ∆p25 | ∆p16 | ∆p10 | ||||||||||
| Температурный класс |
T30, T50 |
||||||||||||||||||
|
Наименование характеристики |
Значение |
||||||||||||||||||
| Номинальный размер (диаметр условного прохода) DN, мм | 40 | 50 | 65 | 80 | 100 | 125 | 150 | 200* | 250* | ||||||||||
|
Максимальный расход Q4, м3/ч |
31,25 | 31,25 | 50 | 78,75 | 125 | 200 | 312,5 | 500 | 787,5 | ||||||||||
| Постоянный расход Q3, м3/ч | 25 | 25 | 40 | 63 | 100 | 160 | 250 | 400 | 630 | ||||||||||
| Переходный расход Q2, м3/ч | 1 | 1 | 1,6 | 2,52 | 4 | 6,4 | 10 | 16 | 40,32 | ||||||||||
| Минимальный расход Q1, м3/ч | 0,625 | 0,625 | 1 | 1,575 | 2,5 | 4 | 6,25 | 10 | 25,2 | ||||||||||
|
Порог чувствительности, м3/ч |
0,25 | 0,25 | 0,3 | 0,35 | 0,6 | 1,1 | 2 | 4 | 8 | ||||||||||
|
Класс потери давления |
∆p10 | ∆p10 | ∆p16 | ∆p10 | ∆p10 | ∆p25 | ∆p10 | ∆p16 | ∆p10 | ||||||||||
|
Температурный класс |
T130 |
||||||||||||||||||
Примечания: Максимальный расход Q4 – наибольший расход, при котором счетчик в течение короткого промежутка времени работает удовлетворительно в границах максимально допускаемой погрешности без ухудшения метрологических характеристик при его последующем использовании в нормированных рабочих условиях эксплуатации.
Постоянный расход Q3 – наибольший расход в нормированных рабочих условиях эксплуатации, при котором счетчик работает удовлетворительно в границах максимально допускаемой погрешности.
Переходный расход Q2 – расход, находящийся между постоянным расходом Q3 и минимальным расходом Q1, при котором диапазон расхода разделяется на две области, «верхнюю область» и «нижнюю область», каждая из которых характеризуется своей максимально допускаемой погрешностью.
Минимальный расход Q1 – наименьший расход, при котором погрешность показаний счетчика не превышает максимально допускаемой погрешности;
* – типоразмеры поставляются под заказ
** - при выпуске из производства
|
Наименование характеристики |
Значение |
|
|
Номинальный размер (диаметр условного прохода) DN, мм |
40-125 | 150-250 |
|
Пределы допускаемой относительной погрешности в диапазоне расходов, % |
±5 в диапазоне Q1 ≤ Q < Q2 |
|
| Позиция установки в трубопроводе |
горизонтальная со счетным механизмом, |
|
|
Класс чувствительности к возмущениям потока |
до счетчика – класс U0, |
|
| Класс по давлению воды |
MAP 16 |
|
| Рабочий диапазон давления, МПа |
от 0,03 до 1,6 |
|
| Диапазон показаний, м3 | 106 | 107 |
|
Цена деления шкалы, дм3 |
0,5 |
5 |
| Степень защиты оболочки |
IP65; IP68* |
|
| Условия эксплуатации, °С |
от 5 до 55 |
|
| Срок службы, лет |
12 |
|


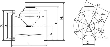
| Обозначение | Dn, мм | Dz, мм | D, мм | L, мм | h, мм | H, мм | H1, мм | nотв., мм | dотв., мм | масса, кг |
| MWN 40, MWN 130-40 | 40 | 150 | 110 | 200 | 65 | 177 | 277 | 4 | 18 | 7,9 |
| MWN 50, MWN 130-50 | 50 | 165 | 125 | 200 | 72 | 187 | 287 | 4 | 18 | 9,9 |
| MWN 65, MWN 130-65 | 65 | 185 | 145 | 200 | 83 | 197 | 297 | 4 | 18 | 10,6 |
| MWN 80, MWN 130-80 | 80 | 200 | 160 | 225 | 95 | 219 | 339 | 4 | 18 | 13,3 |
| MWN 100, MWN 130-100 | 100 | 220 | 180 | 250 | 105 | 229 | 349 | 8 | 18 | 15,6 |
| MWN 125, MWN 130-125 | 125 | 250 | 210 | 250 | 120 | 257 | 477 | 8 | 18 | 18,1 |
| MWN 150, MWN 130-150 | 150 | 285 | 245 | 300 | 135 | 357 | 582 | 8 | 22 | 40,1 |
| MWN 200, MWN 130-200 | 200 | 340 | 300 | 350 | 160 | 382 | 607 | 12 | 22 | 51,1 |
| MWN 250, MWN 130-250 | 250 | 400 | 360 | 450 | 193 | 427 | 652 | 12 | 26 | 75,1 |